無刷直流 (BLDC) 電機由于其高效率、高運行速度、高 單位體積磁通密度、緊湊尺寸、低維護要求和電磁干擾 (EMI) 問題小而日漸普及。因此,BLDC 電機在各種應 用中逐漸取代有刷直流 (BDC) 電機,例如電器、電動 汽車、醫療應用、暖通空調 (HVAC)、運動控制和機器 人技術等應用。BLDC 電機是一款三相同步電機,其定 子由三相繞組(梯形 BLDC 電機采用集中繞組,正弦 BLDC 電機采用正弦分布繞組)和具有永磁體的轉子組 成(在外轉子 PM 電機中反之亦然)。BLDC 電機沒有 機械電刷和換向器組件,因此,可避免電刷磨損、火花 和 EMI 等與 BDC 電機相關的問題。這種電機也稱為電 子換向電機,因為使用的是基于轉子位置的電子換向, 而不是機械換向。通常使用霍爾效應位置傳感器來感應 BLDC 電機的轉子位置。
人們已經開發出許多用于控制 BLDC 電機的控制算 法。這些算法通常根據 BLDC 電機的類型(梯形或正 弦形)、位置傳感器要求(有傳感器或無傳感器)以及 速度和轉矩(電流)控制要求進行分類。隨著當今微控 制器容量的增加,業內正在擴展諸如磁場定向控制 (FOC) 之類的高端控制算法的實現范圍。實施 FOC 算 法可讓 BLDC 電機通過快速的動態響應(面對負載和 速度變化具有更好的動態性能)更高效(高功率因數和 更高的輕負載效率)、更平穩(降低轉矩紋波)地運 行。FOC 控制使定子和轉子的磁場彼此正交,從而實 現最大的電磁轉矩。通過采用磁通和轉矩的解耦控制, 還可使電機的弱磁運行速度高于標稱速度。

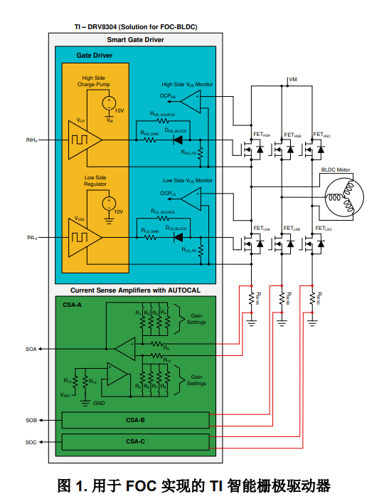
三相 BLDC 電機需要一個三相電壓源逆變器 (VSI) 為 電機提供交流電流。該 VSI 的開關通常采用由柵極驅 動器驅動、適用于低壓應用的場效應晶體管 (FET),或適用于高功率應用的絕緣柵雙極晶體管 (IGBT)。當今 大多數可用的柵極驅動器都需要使用外部柵極元件(電 阻和齊納二極管)來進行操作和提供保護。但是,采用 TI 的智能柵極驅動 (SGD) 技術后則無需使用外部柵極 原件,如圖 1 中所示。借助其可調節柵極驅動電流 (柵極壓擺率控制),SGD 架構可靈活地減少電磁干 擾 (EMI)。SGD 架構可優化死區時間,提高效率,同時充分保護 FET 免遭擊穿,還添加了強下拉電流來防 止任何雜散 dv/dt 柵極導通。
DRV8304 器件是一款基于 TI 智能柵極驅動 (SGD) 架 構的三相柵極驅動器。該器件的最大工作電壓為 38V,針對 12V 和 24V BLDC 電機 FOC 應用進行了全面優化。DRV8304 支持外部N 溝道高側和低側功率 MOSFET,可驅動高達 150mA 的拉電流、300mA 的峰值灌電流和15mA 的平均輸出電流。DRV8304 是一 款高度集成的器件,包括柵極驅動器電源(高側電荷泵 和低側線性穩壓器)、三個電流感應放大器 (CSA) 和 一個 3.3V、30mA 穩壓器,用于為外部控制器供電。
DRV8304 中的集成電流感應放大器 (CSA) 用于感應 BLDC 電機的三相電流,幫助打造出色的 FOC 和電流 控制系統方案。5、10、20 和 40V/V 的可調增益設置 支持用戶靈活選擇適合終端應用的理想感應電阻器。 CSA 還可以配置為感應單向電流,該電流可用于實現 梯形 BLDC 電機的限流控制。DRV8304 中的 CSA 包 含 AUTOCAL 功能,該功能可在上電后自動校準 CSA 的失調電壓誤差,從而實現精確的電流感應。
DRV8304 提供了各種 PWM 模式,因而是一款易于連 接的驅動器。用戶可靈活地為 FOC(或正弦電流控 制)選擇 6x 或 3x 模式,為具有片上區塊轉換功能的 梯形電流控制選擇 1x 模式,為驅動螺線管繼電器選擇 獨立模式。高級別保護功能集使該器件在任何操作場景 下均無懈可擊。這些功能包括電源欠壓鎖定 (UVLO)、 電荷泵欠壓鎖定 (CPUV)、VDS 過電流監視 (OCP)、 柵極驅動器短路檢測 (GDF) 和過熱關斷 (OTSD),并 通過 nFAULT 引腳指示故障事件。下文總結了使 DRV8304 適用于 BLDC 電機 FOC 應用的一系列功 能。
? 針對 12V 和 24V BLDC 電機優化的驅動器絕對最 大電壓 (40V)
? 具有 4 種增益選項設置、用于三相 BLDC 電機電流 感應的三通道 CSA
? AUTOCAL 功能可減少 CSA 輸入失調電壓誤差,因 而改善電機旋轉抖動性能
? 高工作開關頻率,可改善噪聲性能
? 可調壓擺率,可優化 EMI 性能
? 死區時間非常短,可提高開關效率
? 傳播延遲超低,可提高脈沖控制精度并加快動態響 應
? 高度集成的驅動器和小尺寸封裝,可減小電路板面 積
? 高級片上保護功能和診斷
備選器件建議 根據必要的系統要求,還可通過其他器件提供所需的性 能和功能。對于需要詳細診斷和跛行回家模式支持的應 用,建議使用 DRV8305。在需要更高工作電壓(例如 由 36V 電池供電)的應用中,宜選擇 DRV832x。


詢價列表 ( 件產品)
哦! 它是空的。