ST(意法半導體)的型號STM32L496RGT3屬于32位MCU微控制器,采用高性能Arm?Cortex?-M4 32位RISC核心的超低功耗微控制器,工作頻率高達80MHz。Cortex-M4核心具有浮點單元(FPU)單精度,支持所有Arm?單精度數據處理指令和數據類型。它還實現了一套完整的DSP指令和內存保護單元(MPU),增強了應用程序的安全性。

STM32L496RGT3嵌入高速存儲器(高達1mbyte的Flash存儲器,320kbyte的SRAM),用于靜態存儲器的靈活外部存儲器控制器(FSMC)(適用于100引腳及以上封裝的設備),Quad SPI Flash存儲器接口(適用于所有封裝)和廣泛的增強型I/ o和外設,連接到兩個APB總線,兩個AHB總線和一個32位多AHB總線矩陣。STM32L496RGT3為嵌入式閃存和SRAM嵌入了幾種保護機制:讀出保護、寫保護、專有代碼讀出保護和防火墻。
STM32L496RGT3提供三個快速12位adc(5Msps)、兩個比較器、兩個運算放大器、兩個DAC通道、一個內部電壓參考緩沖器、一個低功耗RTC、兩個通用32位定時器、兩個專用于電機控制的16位PWM定時器、七個通用16位定時器和兩個16位低功耗定時器。該器件支持四個用于外部sigma delta調制器(DFSDM)的數字濾波器。
意法半導體STM32L496RGT3的中文參數
品牌:ST(意法半導體)
產品分類:32位MCU
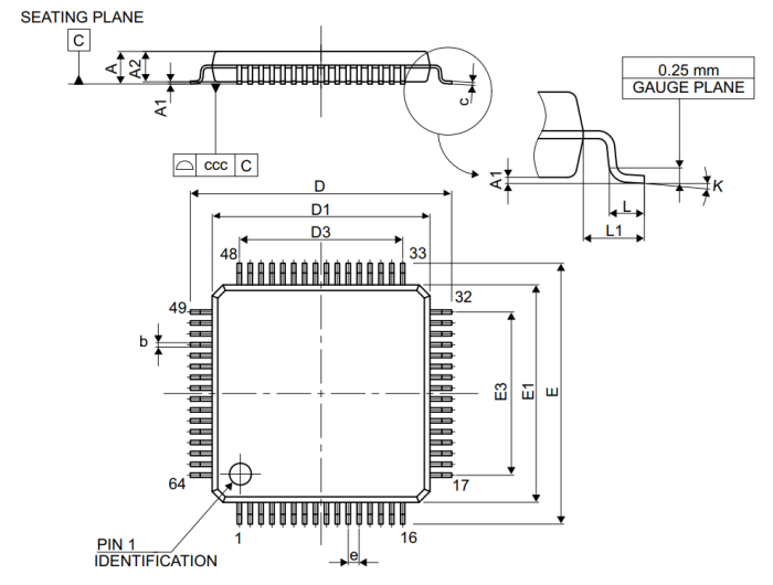
封裝:64-LQFP(10x10)
包裝:托盤
核心處理器:ARM Cortex-M4
內核規格:32-位
速度:80MHz
連接能力:CANbus,I2C,IrDA,LINbus,MMC/SD,QSPI,SAI,SPI,SWPMI,UART/USART,USB OTG
外設:欠壓檢測/復位,DMA,LCD,PWM,WDT
I/O數:52
程序存儲容量:1MB(1M x 8)
程序存儲器類型:閃存
RAM大小:320K x 8
電壓-供電(Vcc/Vdd):1.71V ~ 3.6V
數據轉換器:A/D 16x12b;D/A 2x12b
振蕩器類型:內部
工作溫度:-40°C ~ 125°C(TA)
安裝類型:表面貼裝型
基本產品編號:STM32L496
HTSUS:8542.31.0001
產品應用:超低功耗MCU
意法半導體STM32L496RGT3的功能特點
高性能:搭載ARM Cortex-M4內核,最高主頻可達80MHz,具備強大的計算能力和響應速度。
低功耗:采用意法半導體的超低功耗技術,可實現在不同的低功耗模式下運行,以節省能源和延長電池壽命。
大容量存儲:具備512KB的Flash存儲器和320KB的SRAM,可存儲大量的程序代碼和數據。
多種外設接口:支持多種接口,如USB、UART、SPI、I2C等,可靈活地與其他設備進行通信。
強大的安全功能:集成了硬件加密模塊和防止破解的安全機制,保護存儲的數據和執行的代碼的安全性。
6、多功能的模擬電路:具備多個模數轉換器(ADC)和數字模擬轉換器(DAC),可實現精確的模擬信號采集和輸出。
7、多種封裝形式:可選用的封裝形式有LQFP64、LQFP100和UFBGA169等,適應不同的應用場景和布局要求。
意法半導體STM32L496RGT3的應用領域
STM32L496RGT3是一款低功耗、高性能的32位MCU微控制器,其主要應用領域如下:
物聯網(IoT)設備:由于其低功耗特性,STM32L496RGT3非常適合用于物聯網設備,如智能家居、傳感器網絡、無線傳感器節點等。
工業自動化:STM32L496RGT3的高性能和豐富的外設接口使其成為工業自動化應用的理想選擇,如工廠自動化控制、機器人控制、傳感器采集和處理等。
醫療設備:STM32L496RGT3具有安全可靠的特性,非常適合用于各種醫療設備,如可穿戴式醫療監測器、醫療傳感器、病人監護設備等。
智能計量儀表:由于其豐富的外設和高性能,STM32L496RGT3可用于智能計量儀表領域,如智能電表、智能水表、智能氣表等。
汽車電子:STM32L496RGT3具有優異的抗干擾性能和可靠性,適用于汽車電子應用,如車載控制單元、電動汽車控制系統、車載音頻系統等。


意法半導體STM32L496RGT3的引腳封裝圖

意法半導體STM32L496RGT3的功能方框圖

意法半導體STM32L496RGT3的型號解釋圖
詢價列表 ( 件產品)
哦! 它是空的。