ST(意法半導體)生產的型號STM32L071CZT7屬于超低功耗MCU微控制器,包含32MHz頻率下運行的高性能Arm Cortex-M0+32位RISC內核、存儲器保護單元(MPU)、高速嵌入式存儲器(高達192KB的閃存程序存儲器、6KB的數據EEPROM和20 KB的RAM)以及廣泛的增強型I/O和外圍設備。 STM32L071CZT7提供高功率效率,可實現廣泛的性能。這是通過大量選擇內部和外部時鐘源、內部電壓自適應和幾種低功耗模式實現的。

意法半導體STM32L071CZT7提供多種模擬功能,一個帶硬件過采樣的12位ADC、兩個超低功耗比較器、多個計時器、一個低功耗計時器(LPTIM)、四個通用16位計時器和兩個基本計時器、一臺RTC和一個可用作時基的SysTick。它們還具有兩個看門狗,一個具有獨立時鐘和窗口功能的看門狗,以及一個基于總線時鐘的窗口看門狗。此外,STM32L071CZT7嵌入了標準和高級通信接口:最多三個I2C、兩個SPI、一個I2S、四個USART、一個低功耗UART(LPUART)。
STM32L071CZT7還包括一個實時時鐘和一組備用寄存器,它們在待機模式下保持通電。超低功率STM32L071CZT7使用BOR從1.8至3.6 V電源(斷電時降至1.65 V)運行,不使用BOR選項從1.65至3.6 V供電。它們可在-40至+125°C溫度范圍內使用。一組全面的節能模式允許設計低功耗應用。
意法半導體STM32L071CZT7的中文參數
品牌:ST(意法半導體)
產品分類:32位MCU
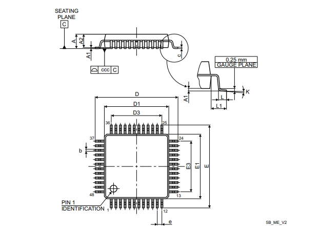
封裝:48-LQFP(7x7)
包裝:托盤
核心處理器:ARM Cortex-M0+
內核規格:32-位
速度:32MHz
連接能力:I2C,IrDA,SPI,UART/USART
外設:欠壓檢測/復位,DMA,I2S,POR,PWM,WDT
I/O數:37
程序存儲容量:192KB(192K x 8)
程序存儲器類型:閃存
EEPROM容量:6K x 8
RAM大?。?0K x 8
電壓-供電(Vcc/Vdd):1.65V ~ 3.6V
數據轉換器:A/D 13x12b
振蕩器類型:內部
工作溫度:-40°C ~ 105°C(TA)
安裝類型:表面貼裝型
基本產品編號:STM32
HTSUS:8542.31.0001
產品應用:超低功耗MCU
意法半導體STM32L071CZT7的功能特點
1、32位ARM Cortex-M0+內核:STM32L071CZT7采用了高性能的ARM Cortex-M0+處理器,具有低功耗和高效能的特點,并且支持Thumb指令集。
2、低功耗特性:STM32L071CZT7專為低功耗應用而設計,具有多種節能技術,包括多種睡眠模式、動態電壓調節和智能停機模式等,以最小化功耗和延長電池壽命。
3、豐富的外設接口:STM32L071CZT7提供了豐富的外設接口,包括多個通用用途I/O口、SPI、I2C、USART、USB和ADC等,以滿足各種應用需求。
4、低電壓操作:STM32L071CZT7能在低電壓下正常工作,工作電壓范圍為1.8V至3.6V,適合于電池供電的應用場景。
5、高集成度:STM32L071CZT7具有豐富的片內存儲器,包括192KB的Flash存儲器和20KB的SRAM,同時還具備多種片上模塊(如看門狗定時器、實時時鐘和DMA控制器等),以簡化外部組件的使用和減小系統尺寸。
6、安全性保護:STM32L071CZT7具備硬件安全模塊,包括讀寫保護、代碼加密和運行時訪問控制等功能,以增強系統的安全性。
7、溫度范圍廣:STM32L071CZT7能夠在-40℃至+85℃的溫度范圍內正常工作,適合于各種環境條件。
8.、軟件支持:意法半導體提供了豐富的軟件開發工具和支持,包括STM32Cube軟件包和HAL庫,以便開發人員輕松開發和調試應用程序。
意法半導體STM32L071CZT7的應用領域
STM32L071CZT7是一款低功耗MCU微控制器,適用于廣泛的嵌入式應用領域,其主要應用領域如下:
1、物聯網(IoT)設備:STM32L071CZT7提供了低功耗和高性能的特性,適合用于連接與通信的物聯網設備,如傳感器節點、智能家居設備、智能城市解決方案等。
2、工業自動化:該微控制器具有較強的工業級溫度范圍和可靠性,可應用于各種工業自動化設備,如儀器儀表、傳感器、無線通信模塊等。
3、智能電網:STM32L071CZT7可用于智能電網應用中的能源管理、電力監測、通信和控制等方面,以提高能源效率和安全性。
4、醫療設備:由于低功耗和高精度的特點,STM32L071CZT7適合用于醫療設備領域,如便攜式醫療儀器、健康監測設備等。
5、消費類電子產品:這款微控制器適用于各種消費類電子產品,包括可穿戴設備、智能家居產品、智能音箱等。
STM32L071CZT7的引腳封裝圖


STM32L071CZT7的原理圖

STM32L071CZT7的型號解釋圖

詢價列表 ( 件產品)
哦! 它是空的。