ST(意法半導體)的型號STM32F103R6T7A屬于32位MCU微控制器,集成了高性能ARM?Cortex?-M3 32位RISC核心,工作在72MHz頻率下,高速嵌入式存儲器(高達32千字節的閃存和高達6千字節的SRAM),以及廣泛的增強I/ o和連接到兩個APB總線的外設。
STM32F103R6T7A提供兩個12位adc,三個通用16位定時器和一個PWM定時器,以及標準和高級通信接口:最多兩個i2c和spi,三個usart,一個USB和一個CAN。

STM32F103R6T7A低密度性能線系列工作在2.0至3.6 V電源。它可在-40到+85°C的溫度范圍和-40到+105°C的擴展溫度范圍。一套全面的省電模式允許設計低功耗應用程序。
STM32F103R6T7A的功能特點
1、高性能:STM32F103R6T7A采用了ARM Cortex-M3內核,主頻最高可達72MHz,具備高性能的處理能力,可以滿足復雜應用的需求。
2、豐富的外設:STM32F103R6T7A集成了各種豐富的外設模塊,包括多個通用定時器、高級定時器、多通道10位ADC以及多個串行通信接口(如USART、SPI、I2C等),這些外設模塊可以提供多種接口和功能,方便開發者在應用中實現各種功能需求。
3、低功耗設計:STM32F103R6T7A采用了低功耗設計,包括多種低功耗模式和休眠模式,可以在需要時降低功耗,從而延長電池壽命,適用于要求低功耗的應用領域。
4、大容量閃存與RAM:STM32F103R6T7A內置了256KB的閃存和32KB的RAM,可以存儲大量的代碼和數據,提供足夠的空間進行應用開發。
5、強大的調試和測試功能:STM32F103R6T7A支持多種調試和測試功能,如SWD(Serial Wire Debug)接口、JTAG接口、硬件斷點和數據監視等,開發者可以方便地進行調試和測試工作,提高開發效率。
STM32F103R6T7A的應用領域
STM32F103R6T7A是一款32位ARM Cortex-M3內核的微控制器,其主要應用領域如下:
1、工業自動化:STM32F103R6T7A可以用于控制各種工業機械和設備,如PLC(可編程邏輯控制器)、電機控制和傳感器接口等。它具有高性能和低功耗的特點,可以滿足工業環境的要求。
2、智能家居:STM32F103R6T7A可以作為智能家居系統的控制器,用于控制和管理各種家電設備、照明系統、安全監控和能源管理等。它支持多種通信接口,如UART、SPI和I2C,可以與各種傳感器和外圍設備進行通信。
3、消費電子:由于STM32F103R6T7A具有豐富的外設和高性能特點,它也被廣泛應用于消費電子產品,如智能手機、平板電腦、音頻設備和游戲控制器等。它能夠處理復雜的圖形和音頻數據,并支持多種通信接口和顯示設備。
4、醫療設備:STM32F103R6T7A可以在醫療設備中用作控制器,如醫療監測設備、手術器械和醫療診斷系統等。它具有高精度和可靠性,可以處理復雜的數據和算法,同時支持多種通信接口和傳感器接口。
5、工業測量和控制:STM32F103R6T7A可以用于各種工業測量和控制領域,如溫度測量、壓力控制和流量計等。它具有高精度和多通道的特點,可以實時處理和反饋數據,并支持模擬和數字信號的轉換。
STM32F103R6T7A的中文參數
品牌:ST(意法半導體)
產品分類:32位MCU
程序存儲容量:32KB(32K x 8)
程序存儲器類型:閃存
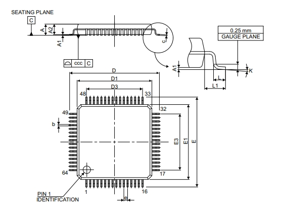
封裝:64-LQFP(10x10)
RAM大小:10K x 8
包裝:托盤
電壓-供電(Vcc/Vdd):2V ~ 3.6V
商品標簽:通用類MCU
數據轉換器:A/D 16x12b
核心處理器:ARM Cortex-M3
振蕩器類型:內部
內核規格:32-位
工作溫度:-40°C ~ 105°C(TA)
速度:72MHz
安裝類型:表面貼裝型
連接能力:CANbus,I2C,IrDA,LIN,SPI,UART/USART,USB
基本產品編號:STM32F103
外設:DMA,電機控制 PWM,PDR,POR,PVD,PWM,溫度傳感器,WDT
I/O數:51
STM32F103R6T7A的引腳圖


STM32F103R6T7A的原理圖

STM32F103R6T7A7的型號解釋圖

詢價列表 ( 件產品)
哦! 它是空的。