ST意法半導體的型號STM32F302RBT6屬于32位MCU微控制器,基于高性能Arm?Cortex?-M4 32位RISC內核,FPU工作頻率高達72MHz,內置浮點單元(FPU)、內存保護單元(MPU)和嵌入式跟蹤宏單元(ETM)。

該系列集成了高速嵌入式存儲器(高達256KB的閃存,高達40KB的SRAM)以及連接到兩條APB總線的大量增強型I/O和外圍設備,提供最多兩個快速12位ADC(5 Msps)、四個比較器、兩個運算放大器、最多一個DAC通道、一個低功耗RTC、最多五個通用16位定時器、一個通用32位定時器和一個專用于電機控制的定時器。它們還具有標準和高級通信接口:最多兩個I2C、最多三個SPI(兩個SPI具有多路復用全雙工I2S)、三個USART、最多兩個UART、CAN和USB。為了實現音頻級精度,可以通過外部PLL對I2S外圍設備進行計時。
STM32F302RBT6的功能特點
1、高性能:STM32F302RBT6采用了高性能的ARM Cortex-M4內核,主頻可達到72MHz,具有強大的處理能力。同時搭配了256KB的閃存和40KB的RAM,可滿足多種應用需求。
2、豐富的外設接口:STM32F302RBT6具有豐富的外設接口,包括多個通用IO引腳、多個串口、SPI、I2C、CAN和USB等接口,可滿足各種外設的連接需求。
3、強大的模擬功能:STM32F302RBT6具備多個模擬模塊,包括12位的ADC(模數轉換器)、低功耗ADC、DAC(數模轉換器),可以實現高精度的模擬信號采集和輸出。
4、豐富的定時器功能:STM32F302RBT6具備多個定時器,包括基本定時器(TIM)、通用定時器(TIM)、高級定時器(TIM),可以實現多種定時、計數和PWM(脈沖寬度調制)等功能。
5、低功耗特性:STM32F302RBT6通過各種低功耗模式和技術,可以實現低功耗運行,延長電池壽命或降低系統功耗。
6、強大的安全性:STM32F302RBT6采用了多種安全性策略和機制,可以保護系統的安全性和數據的機密性,例如硬件加密和安全啟動等功能。
7、易于開發和調試:意法半導體為STM32F302RBT6提供了完善的開發工具和生態系統,包括STM32Cube軟件開發套件、集成開發環境(IDE)和調試器等,方便開發者進行軟件開發、調試和測試。
STM32F302RBT6的應用領域
STM32F302RBT6是一款高性能的32位MCU微控制器,其主要應用領域如下:
1、工業自動化:STM32F302RBT6具有高性能和豐富的通信接口,可以廣泛應用于工業自動化領域,如工業控制器、智能儀表、工業網絡通信等。
2、消費電子:該微控制器具有強大的計算能力和豐富的外設,適用于嵌入式控制和處理復雜算法的消費電子產品,如智能家居設備、音視頻設備、電子游戲等。
3、醫療設備:STM32F302RBT6的高性能和可靠性使其非常適合用于醫療設備,如醫療監護儀、診斷設備、手術器械等。
4、物聯網(IoT):STM32F302RBT6支持多種通信協議和低功耗模式,非常適合用于物聯網設備,如智能傳感器、智能家居控制器、環境監測等。
STM32F302RBT6的參數
品牌:ST(意法半導體)
產品分類:32位MCU
I/O數:52
程序存儲容量:128KB(128K x 8)
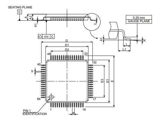
封裝:64-LQFP(10x10)
程序存儲器類型:閃存
包裝:托盤
RAM大小:32K x 8
商品標簽:通用類MCU
電壓-供電(Vcc/Vdd):2V ~ 3.6V
核心處理器:ARM Cortex-M4
數據轉換器:A/D 16x12b; D/A 1x12b
內核規格:32-位
振蕩器類型:內部
速度:72MHz
工作溫度:-40°C ~ 85°C(TA)
連接能力:CANbus,I2C,IrDA,LIN,SPI,UART/USART,USB
安裝類型:表面貼裝型
外設:DMA,I2S,POR,PWM,WDT
基本產品編號:STM32F302
STM32F302RBT6的引腳封裝圖


STM32F302RBT6的原理圖

STM32F302RBT6的料號解釋圖

詢價列表 ( 件產品)
哦! 它是空的。