STM32L010F4P6超低功耗微控制器是意法半導體STM32L010系列。
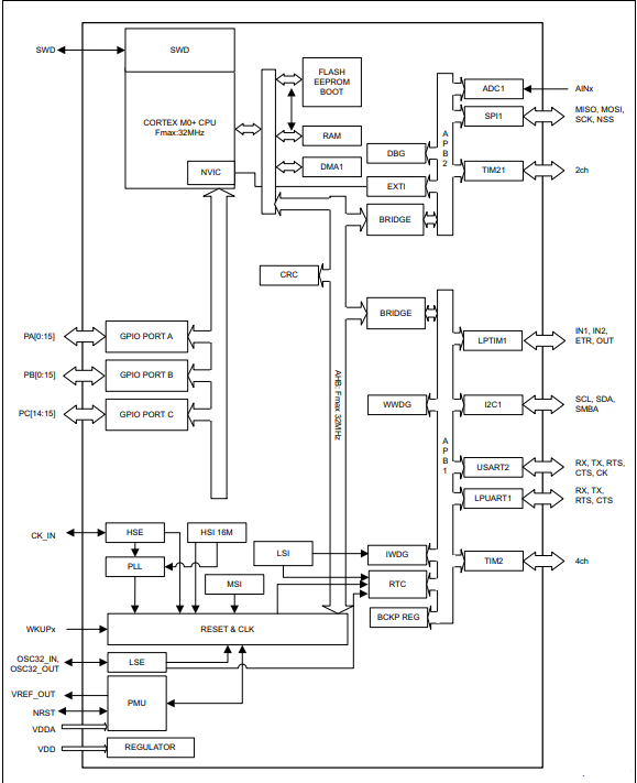
超低功耗STM32L010F4P6微控制器包含高性能Arm?Cortex?-M0+32位RISC核心,工作頻率為32 MHz,高速嵌入式存儲器(16 KB閃存程序存儲器、128字節數據EEPROM和2 KB RAM)以及廣泛的增強型I/O和外圍設備。

STM32L010F4P6在廣泛的性能范圍內提供高功率效率。這是通過大量選擇內部和外部時鐘源、內部電壓自適應和幾種低功率模式來實現的。
STM32L010F4P6提供多種模擬功能:一個帶硬件過采樣的12位ADC、幾個定時器、一個低功耗定時器(LPTIM)、兩個通用16位定時器、一臺RTC和一臺可用作時基的SysTick。STM32L010F4P6還具有兩個看門狗,一個具有獨立時鐘和窗口功能的看門狗,以及一個基于總線時鐘的窗口看門狗。此外,STM32L010F4P6嵌入了標準和先進的通信接口:一個I2C、一個SPI、一個USART和一個低功耗UART(LPUART)。
STM32L010F4P6還包括一個實時時鐘和一組在待機模式下保持供電的備份寄存器。超低功率STM32L010F4P6的工作電壓為1.8至3.6 V,溫度范圍為-40至+85°C。一套全面的節能模式允許設計低功耗應用程序。
參數
– 內核:ARM Cortex-M0+
– 主頻:32MHz
– ADC:12位,1個通道– 存儲器:16KB Flash,2KB RAM
– 通信接口:SPI、I2C、USART
– 低功耗模式:多種低功耗模式,最低功耗為0.3A
應用
PC外圍設備、游戲、GPS設備
燃氣/水表和工業傳感器
醫療保健和健身設備
報警系統、有線和無線傳感器、視頻對講機
遠程控制和用戶界面
方框圖

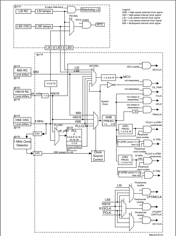
時鐘樹圖

引腳封裝

詢價列表 ( 件產品)
哦! 它是空的。