納芯微NSI8231W1-DSWR是高可靠性的三通道數字隔離器。此系列產品已通過UL1577安全認證,支持多種絕緣耐壓(5kVrms, 5.7kVrms),同時具有低功耗,高電磁抗擾度和低輻射的特性。產品的數據速率高達150Mbps,共模瞬變抗擾度(CMTI)高達200kV/us。在輸入缺失時默認輸出電平配置,且提供數字通道方向配置。 此系列器件的寬電源電壓范圍支持其與大多數數字接口直接連接,易于進行電平轉換。優異的系統級別EMC性能提高了使用的可靠性和穩定性。

產品特性
隔離耐壓5000Vrms, 5700Vrms
VDE增強型隔離認證
數據速率DC至150Mbps
高CMTI:200kV/μs
芯片級ESD: HBM: ±8kV
增強的系統級ESD 、EFT、抗浪涌能力
隔離柵壽命:>60年
低傳播延遲典型值<15ns
低功耗: 1.5mA/ch (1 Mbps)
工作溫度:-55~125℃
符合RoHS的封裝:SOW16, SOWW16
安全認證
UL1577認證: 1分鐘 5kVrms/5.7Vrms
CQC認證:符合GB4943.1-2011
CSA認證:組件符合5A
VDE認證:DIN V VDE V 0884-11:2017-1
應用場景
工業自動化系統
隔離SPI, RS232, RS485
通用多通道隔離
電機控制
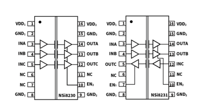
功能框圖

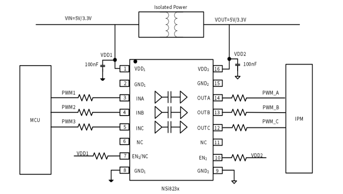
典型應用電路圖

詢價列表 ( 件產品)
哦! 它是空的。