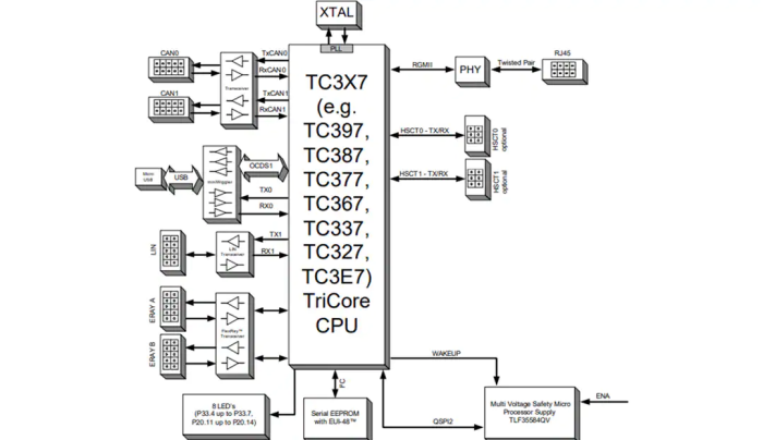
英飛凌AURIX TC3X7評估板(KIT_A2G_TC377_5V_TRB_S)是TriCore TC3X7 AURIX微控制器的演示和開發平臺。TC3X7 mcu提供了豐富的外設組合,包括1Gbit/s以太網,CAN FD, FlexRay 和多個spi。這些設備還符合ISO 26262標準,以支持高達ASIL-D的安全要求,使它們非常適合用于汽車相機系統、高清安全大燈系統和傳感器融合應用。

英飛凌AURIX TC3X7評估板包括在LFBGA-292包中預安裝的TC377TE。目標設備安裝在一個插座中,這樣就可以很容易地進行更改,使評估板成為早期項目開發的理想選擇。
特性
Infineon TC377 AURIX 2G微控制器在LFBGA-292包中,插座安裝
FlexRay收發器
高速CAN收發器(支持CAN- fd)
2K I(2)C串行Eeprom與EUI-48 節點標識
USB到UART橋接
以太網千兆PHY
串行eepm
林收發器
水晶20MHz(默認)或外部時鐘
USB到UART橋接
USB miniWiggler JDS易于調試
8個低功率狀態led
8-DIP開關配置
訪問微控制器的所有引腳
100mm x 160mm (EURO-Board) PCB
連接器
標準電源連接器
微型USB連接器ASC接口(ASC0)和miniWiggler
用于以太網的RJ45連接器
用于JTAG接口的16針頭(OCDS)
3x 10針頭用于DAP, DAPE,和DAP_SCR (DAPE僅在仿真設備上可用)
LIN收發器(LIN) 10針(2x5)報頭
2個10腳(2x5)頭,用于CAN高速收發器(CAN0和CAN1)
FlexRay (ERAY-A和ERAY-B) 2個10針(2x5)頭
4x 80針連接器(公)+ 4x 80針連接器(母)與所有I/O信號
框圖

詢價列表 ( 件產品)
哦! 它是空的。