邁來芯 MLX80004 是一款面向采用本地互連網絡 (LIN) 協議的低速車輛串行數據網絡通信應用的四通道物理層器件。該器件設計符合 LIN 協議規范包 2.x 以及 SAE J2602 標準對物理層的定義。此外,IC 還能用于 ISO9141 系統中。由于 MLX80004 在隱性狀態下的電流消耗非常低,因此非常適合對待機電流有嚴格要求的 ECU 應用。高級休眠模式功能可關斷整個主節點。該器件包含的喚醒功能可檢測到傳入的顯性 LIN 消息,然后使能穩壓器。

特性和優勢
符合 LIN 2.x/SAE J2602 標準
四通道獨立增強型主收發器功能
向后兼容四通道主收發器 MLX80001
占用面積極小 (QFN4x4),最大限度減少了外部組件數
四通道/雙通道型號采用相同封裝和尺寸,設計的成本/空間得到了優化
轉換速率選擇和高速閃存模式
工作電壓 (VS) 范圍寬達 5 V 至 27 V
完全兼容 3.3V 和 5V 器件
休眠模式下的待機電流消耗極低,僅為 10μA
WAKE 輸入可實現本地喚醒功能
遠程和本地喚醒源識別
外部組件的控制輸出 INH
集成LIN 主節點和從節點的端(電阻和去耦二極管)
從節點配置下提供 TxD 顯性超時功能
主節點配置下提供 RxD 顯性超時功能
休眠定時器
低 EME(發射)和高 EMI(抗擾)水平
LIN 引腳阻抗高,可應對接地端或電池缺失的情況
ESD 穩健性增強
應用
工業汽車

方框圖

引腳

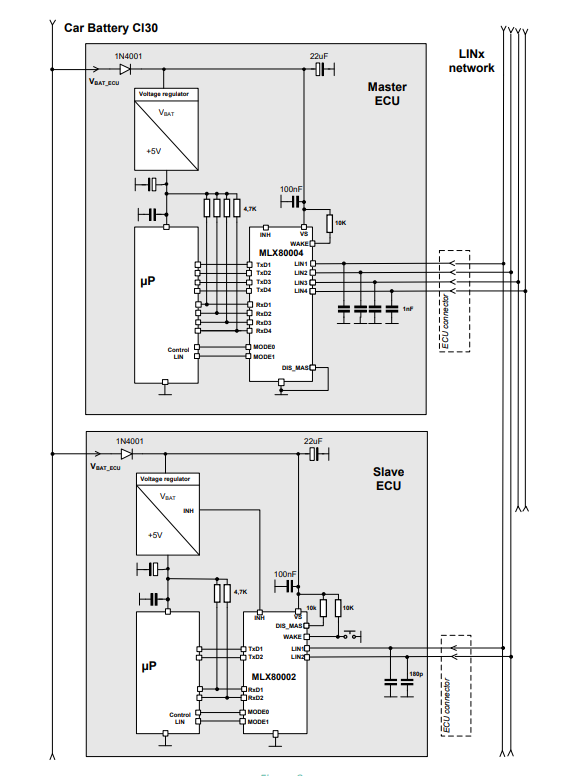
應用示例:使用具有最小化外部組件和LIN對GND短路功能的增強型主模式。

應用示例:使用標準收發器模式的應用示例,無LIN對GND短路功能。

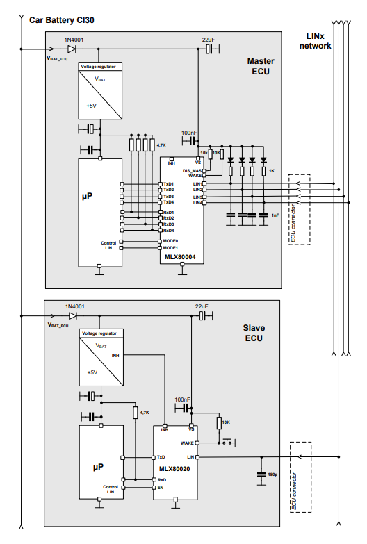
EMC應用電路
邁來芯代理商永芯易科技:如果貴司有芯片采購需求可通過聯系客服獲取芯片產品規格書或芯片樣品測試(樣品測試:終端廠家專享,需提供公司信息)。
詢價列表 ( 件產品)
哦! 它是空的。